发布时间:2025-12-11 17:21:34
“串转并”魔法师
单片机开发中,IO口资源紧张是常见问题——驱动LED、显示屏、传感器等外设后,引脚常被耗尽。此时无需更换高端单片机,用“魔法芯片”74HCT595即可解决:仅占用3个单片机IO口,就能扩展出8个并行输出口,轻松化解IO告急难题。
一、魔法原理:什么是“串行转并行”?
74HCT595是一款8位串行输入、并行输出的移位寄存器。它的工作流程可以比作一条高效的“数据流水线”:
1.串行数据输入类:
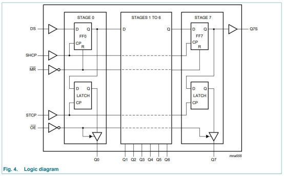
核心为DS引脚,单片机通过它将数据逐位传入芯片。
2.时钟控制类:
含SH_CP(移位时钟)和ST_CP(存储时钟)。SH_CP上升沿将DS数据移入移位寄存器;ST_CP上升沿将移位寄存器数据锁存到并行输出寄存器并输出。
3.并行数据输出类:
Q0-Q7可直接连接LED、继电器等外设;Q7'用于多片级联,实现更多输出口扩展。
二、“1控8”实现逻辑:移位锁存协同
74HCT595的“魔法”源于移位寄存器与锁存器的协同,仅需3个单片机IO口控制DS、SH_CP、ST_CP,分两步完成工作:
1.移位阶段:
单片机确定8位输出数据后,通过DS输出第一位数据,SH_CP产生上升沿将数据移入移位寄存器;重复8次,完成8位串行数据接收。
2.锁存阶段:
8位数据全部移入后,ST_CP产生上升沿,将数据锁存到并行输出寄存器,Q0-Q7随即输出对应并行数据,实现3个IO控8个外设。
这种“先移位再锁存”机制确保8位数据同步更新,避免输出“闪烁”,适合对同步性有要求的场景。
三、实操指南:硬件连接与软件编程
以51单片机控制8个LED灯为例,详解74HCT595的实操应用。
1. 硬件连接:简洁高效的电路设计
硬件连接核心是建立信号通路,关键连接方式:
·单片机-P3.0接DS(14脚)、P3.1接SH_CP(11脚)、P3.2接ST_CP(12脚);74HCT595的GND(8脚)、VCC(16脚)分别接单片机GND和5V电源,OE(13脚)接地以启用输出。
·74HCT595的Q0-Q7经220Ω限流电阻接LED阳极,LED阴极共地,Qx输出高电平时对应LED点亮。
2. 软件编程:实现LED流水灯效果
软件核心是移位和锁存函数,以下Keil C51代码实现LED流水灯效果:
代码解析:SendData函数完成串行数据传输,主函数通过循环改变led_dat实现数据左移,ST_CP上升沿触发锁存,最终LED从Q0到Q7依次点亮形成流水效果。
四、经典应用场景与真实案例
1.LED点阵屏与数码管
作为74HCT595的“主战场”,市面上绝大多数16x32、32x64的单色LED显示屏,其行或列驱动都依赖595级联实现。例如,某共享单车智能锁内的数码管显示,即采用2片595驱动4位数字,实现低功耗、高稳定的号码显示。
2.多路继电器/传感器控制:
在工业温控器或PLC扩展模块中,常使用多片595控制8路、16路继电器阵列,进而驱动交流接触器、电磁阀等大功率负载。例如,某品牌智能排插使用1片595控制8路继电器,实现了每路插孔的独立定时开关。
多路继电器
3.矩阵键盘扫描:
配合输入型扩展芯片(如74HC165),可高效实现大规模矩阵键盘的扫描识别。例如,在工业HMI面板或密码输入键盘中,采用4片595构成32路输出,扫描8x4矩阵键盘,以极低成本实现32个按键的可靠检测。

五、注意事项
时序匹配:SH_CP与ST_CP时钟需同步,单片机IO翻转过快时可增加短时延时,避免数据错误。
电源滤波:VCC与GND间并联0.1μF瓷片电容,抑制电流波动,提升电路稳定性。
负载能力:单引脚最大灌电流20mA,驱动继电器等大负载时需外接三极管放大电流,防止芯片损坏。
74HCT595以低成本、少IO占用、易扩展的优势,成为IO扩展首选。从LED控制到外设矩阵驱动,它都能高效“解放”单片机IO资源,是提升项目开发灵活性的实用芯片。
声明:本文内容摘抄自各大网络平台,转载及使用目的仅限于行业学术探讨、经验交流与同仁参考,不用于任何商业用途,亦不构成任何建议或承诺;本人 / 本单位不对内容的准确性、完整性作出保证,对于因使用、依赖本文内容所引发的任何直接或间接损失不承担法律责任,文中所有图文素材的著作权均属于原版权方,如有侵权请联系删除。
